北京完美网页版登录入口-变电站故障录波原理及文件分析
2022-09-07 完美网页版登录入口
江西完美网页版登录入口-变压器低压进线柜常见连接方式
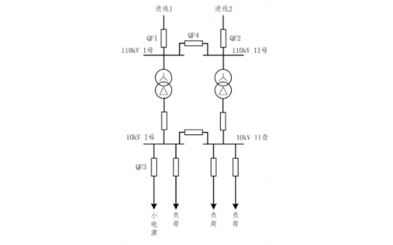
重庆完美网页版登录入口-小电源接入对备自投的影响
2022-09-06 完美网页版登录入口
北京完美网页版登录入口-配电室为什么要用绝缘垫?
为什么理论计算的预热器出口烟气量要比实测值小很多?-贵州完美网页版登录入口
北京完美网页版登录入口-励磁电流是如何进入发电机转子绕组的?
2022-09-05 完美网页版登录入口
汽轮机胀差和轴向位移知识分享-广东完美网页版登录入口
电厂变压器瓦斯保护你知道吗?-北京完美网页版登录入口
2022-09-05 完美网页版登录入口电气