新闻动态
KWZK完美网页版登录入口自控集团
网站首页
关于我们
公司简介
在线反馈
联系我们
产品展示
全部
传感器/变送器
流量计系列
液位/料位系列
完美网页版登录入口门/执行装置
液压/气动元件
检维修工器具
化验/分析仪器
其他机电仪产品
新闻动态
全部
行业知识
企业新闻
资料下载
客户案例
新闻动态
推荐
热门
最新
一种允许错误动作的继电保护-广东完美网页版登录入口
一种允许错误动作的继电保护-广东完美网页版登录入口
2022-09-13
完美网页版登录入口
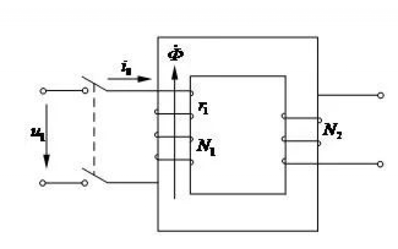
变压器励磁电流大小是否可以控制
变压器励磁电流大小是否可以控制
2022-07-26
完美网页版登录入口电气
上一页
1
2
3
4
下一页
转至第
首页
产品
新闻
联系
亚新注册
|
球友会网页版
|
万象城平台
|
ky体育(中国)官方网站
|
九游手机在线登入
|
MK官网
|
半岛官网平台
|
乐投在线登录
|
球速体育平台
|