WAX-C320差压变送器液面测量的管路改装分享
2022-09-22 完美网页版登录入口
氨水液位计指示偏差的校正方法分享
KWZK液位控制系统的改造分享
合成氨装置KW1101E液位仪表测量问题处理分享
汽包液位变送器突然无指示及浮筒液位计故障处理分享
2022-09-21 完美网页版登录入口
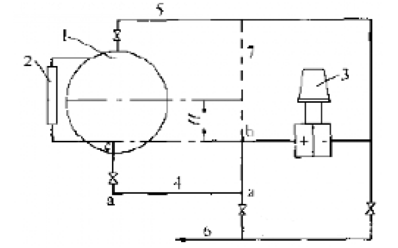
WAX-C320系列差压液位计负相灌液的处理
水分在油浸式电力变压器内的生活轨迹
南昌完美网页版登录入口-物位检测仪表故障处理分享
2022-09-20 南昌完美网页版登录入口