二次交流回路知识及相关注意事项
2023-09-26 完美网页版登录入口
旁路作业分流异常分析
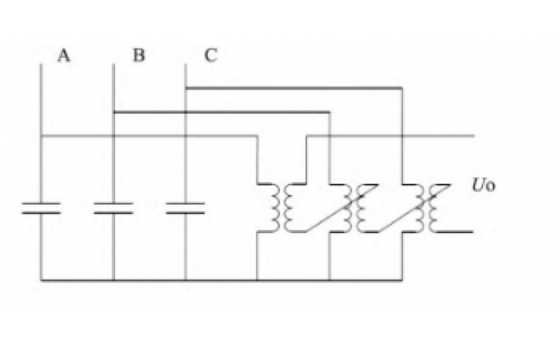
电容器组不平衡保护四种接线方式
2023-09-25 完美网页版登录入口
并联电容器组保护概述
PSA程控完美网页版登录入口电磁完美网页版登录入口故障原因分析
智能型压力变送器指示为0
2023-09-22 完美网页版登录入口
550KW的风机用多大的变频器?
现场拍到的TN-S系统的错误接线