丙烯分析仪使用说明
2022-03-23 完美网页版登录入口
COD分析仪使用说明
2022-03-22 完美网页版登录入口
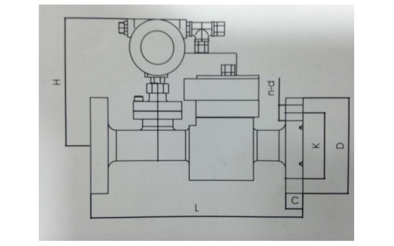
高压流量自控仪
烟气脱硫、催化、动力站CEMS系统使用说明
尽管不同类型的控制器,其结构、原理各不相同,但是基本控制规律只有三个:比例(P)控制、积分(I)控制和微分(D)控制。这几种控制规律可以单独使用,但更多场合是组合使用。如比例(P)控制、比例-积分(PI)控制、比例-积分-微分(PID)控制等。
色谱分析仪使用说明
激光氧含量分析仪使用说明
二氧化碳含量分析仪使用说明